Характеристики
- Ширина35 мм
- Высота90 мм
- Глубина65 мм
- Функция контроля порядка чередования фазДа
- Функция обнаружения обрыва фазыДа
- Функция обнаружения пониженного напряженияНет
- Функция обнаружения перенапряженияНет
- Функция обнаружения асимметрии фазДа
- Максимально допустимое время задержки5 с
- Минимальное регулируемое время задержки3 с
- Количество замыкающих контактов1
Описание
Автомат защиты электродвигателей CKF-B предназначен для защиты электродвигателей и электроустановок, питаемых от трехфазной сети в случаях: отсутствия хотя бы одной из фаз, асимметрии напряжения, обрыва нулевого провода, чередования фаз.
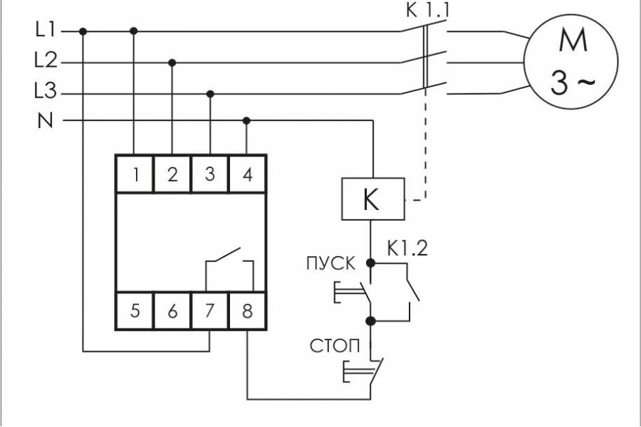
Принцип работы
Если параметры сети, питающей электродвигатель, в пределах нормы, то контакты исполнительного реле 7, 8 замкнуты и на катушку контактора электродвигателя подается напряжение, управляющее его включением. В случае одной из вышеперечисленных аварийных ситуаций контакты реле размыкаются и контактор отключается. Выключение в случае асимметрии напряжения происходит с задержкой 3-5 с. В случае отсутствия хотя бы одной из фаз, обрыва нулевого провода и нарушения чередования фаз изделие выключается с задержкой 0,1 с. Включение происходит автоматически после восстановления сетевого напряжения питания.
Напряжение питания: 3x400/230 В +N; 50 Гц
Максимальный ток катушки контактора: 2 А
Контакт: 1NO
Сигнализация питания: зеленый светодиод
Сигнализация аварии: красный светодиод
Асимметрия напряжения (регулируемая): 55 В
Гистерезис: 5 В
Задержка отключения: 3-5 с
Диапазон рабочих температур от -25 до +50°С
Потребляемая мощность: 1,6 Вт
Степень защиты: IP20
Габариты (ШхВхГ): 35х90х65 мм
Принцип работы
Если параметры сети, питающей электродвигатель, в пределах нормы, то контакты исполнительного реле 7, 8 замкнуты и на катушку контактора электродвигателя подается напряжение, управляющее его включением. В случае одной из вышеперечисленных аварийных ситуаций контакты реле размыкаются и контактор отключается. Выключение в случае асимметрии напряжения происходит с задержкой 3-5 с. В случае отсутствия хотя бы одной из фаз, обрыва нулевого провода и нарушения чередования фаз изделие выключается с задержкой 0,1 с. Включение происходит автоматически после восстановления сетевого напряжения питания.
Напряжение питания: 3x400/230 В +N; 50 Гц
Максимальный ток катушки контактора: 2 А
Контакт: 1NO
Сигнализация питания: зеленый светодиод
Сигнализация аварии: красный светодиод
Асимметрия напряжения (регулируемая): 55 В
Гистерезис: 5 В
Задержка отключения: 3-5 с
Диапазон рабочих температур от -25 до +50°С
Потребляемая мощность: 1,6 Вт
Степень защиты: IP20
Габариты (ШхВхГ): 35х90х65 мм