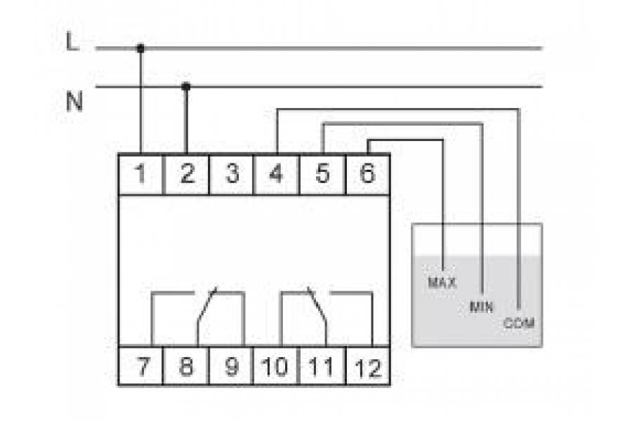
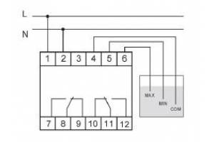
Реле уровня PZ-829 (двухуровневый монтаж на DIN-рейке 35мм 230В AC 2х16А 2перкл. IP20) F&F EA08.001.002

5 240.51₽

Характеристики

  • Ширина52.5 мм
  • Высота90 мм
  • Глубина65 мм
  • Количество входов для электродов
  • Устанавливаемый порог срабатыванияДа 
  • Номинальное напряжение питания цепи управления Us перемен. тока АС при 50 Гц с230 В
  • Номинальное напряжение питания цепи управления Us перемен. тока АС при 50 Гц по230 В
  • Максимально допустимое время задержки10 с
  • Минимальное регулируемое время задержки.5 с
  • Физический принцип измеренияПроводящий 
  • Род тока включенияПеременный ток (AC) 
  • Количество переключающих контактов

Описание

Реле уровня PZ-829 (двухуровневый монтаж на DIN-рейке 35мм 230В AC 2х16А 2перкл. IP20) F&F EA08.001.002

Отзывы (0)

Написать отзыв

Внимание: HTML не поддерживается! Используйте обычный текст.
    Плохо           Хорошо