Характеристики
- Способ монтажаОткрытой установки
- ЦветБелый
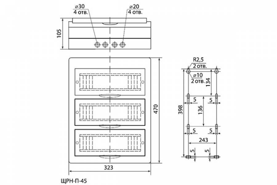
- Ширина323 мм
- Высота470 мм
- Глубина105 мм
- Номер цвета ral9010
- С монтажной панельюНет
- Количество рядов3
- Тип покрытияДверь
- С прозрачной крышкойДа
- Din рейкаДа
- Тип крышкиЗакрытого типа
- Материал корпусаABS-пластик
- Ширина в числах модульных расстояний45
- Вид запораНет (без)
- Степень защиты IPIP40
- Прозрачная дверьДа
- С замкомНет
- Тип крышкиЗакрытого типа
Описание
Пластиковые боксы применяются в любых типах жилых и производственных помещений с температурным режимом от -15С до +60С. Используется для распределения электроэнергии и защиты персонала от поражения электрическим током при эксплуатации.
В каждом боксе предусмотрена Din-рейка для крепления модульной автоматики (автоматов, реле). Размер бокса подбирается в зависимости от требуемого количества автоматов. Пластиковые боксы ЩРВ характеризуются удобным монтажом, на боковой и задней стороне бокса находятся легкоудаляемые вводы для кабеля. В комплект входит Din-рейка, суппорт для клеммников, клеммники N и PE, винты, дюбели и заглушки для мест крепления.
В каждом боксе предусмотрена Din-рейка для крепления модульной автоматики (автоматов, реле). Размер бокса подбирается в зависимости от требуемого количества автоматов. Пластиковые боксы ЩРВ характеризуются удобным монтажом, на боковой и задней стороне бокса находятся легкоудаляемые вводы для кабеля. В комплект входит Din-рейка, суппорт для клеммников, клеммники N и PE, винты, дюбели и заглушки для мест крепления.